(Česky) 1/72 Legie – Limited edition – Eduard
20.4.2019 Michal Vyparina - 2.601 přečtení
Pohled do krabičky opětovně vydaného modelu.
LEGIE - SPAD XIII ČS. PILOTŮ
Michal Vyparina
Obsah stavebnice
Jedná se o reedici. Krabička je ve standardním velikosti s nádherným motivem naší vlajky, dvouocasého lva dvou letících spadů. Na boku víka krabice najdeme bokorysy letadel, jež nám stavebnice umožňuje postavit.
Co tedy najdeme v krabici s horním otvíráním. Sáček s nepraktickým bočním lepícím lemem, který obsahuje dva výlisky z šedého plastu, jeden výlisek z čirého plastu, návod, leptík, obtisky a návod.
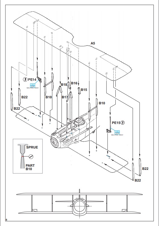
Rámeček s hlavními díly - rámeček A
Rámečky A mám dva. Jeden z krabice a druhý z reklamace vzorkového kusu. Liší se od sebe v pár detailech. Originální díle ze vzorku má krásné výlisky s jednou vadou a to poškozeným dílem, kvůli kterého jsem vzorek reklamoval. Rámeček druhý jakoby vyřešená reklamace krom jednoho velkého otřepu je prakticky ideální. Otřep se odřízne nožem, skalpelem za malou chvíli. Nic složitého.
Co je třeba pochválit je spojení trupu a vodorovných ovládacích ploch. Odpadne nám hlídaní geometrie v těchto partiích.
Rámeček s drobnými díly - rámeček B
Drobné otřepy nebo dělící rovina na drobných dílech nepotěší, ale lehké projetí dělící roviny skalpelem nás ve stavbě moc nezdrží. Vše rychle jistě zvládnete. Detaily jsou krásné, bez kazů.
Čirý díl
Čiré díly = větrné štítky. Ve stavebnici najdeme dva různé. Z nichž využijeme jen jeden a to díl č. 2. Ti náročnější modeláři by jistě uvítali, kdyby tyto díly byly z průhledné folie. Eduard však myslí i na méně náročné a dal je v plastu. Plast je na technologické možnosti tenký dost. Na daném vzorku jsem neměl jedinou vadu na kráse. Díl je krásně průhledný, čistý bez jediného škrábance či mlhy.
Obtisky
Výrobce dělá vše pro ochranu obtisků, jsou zabaleny v samostatném igelitovém sáčku a na jejich povrchu se nachází ochranný papír. Obtisky - alfa i omega konečného vzhledu modelu. Na jejich perfektním tisku závisí konečný vzhled modelu a zde bych firmu Eduard pochválil. Vše je krásně vytisknuto. Soutisk francouzských kokard či jiných drobných detailů je moc pěkný.
Docela bude dilema zda v interiéru použít obtisk na budík nebo využít barevný lept. Zde je prostor pro Vás čtenáři, které možnosti dáte přednost.
Lepty
Krabička Legie obsahuje malý leptík, který nám pomůže vyšperkovat model k dokonalosti. V leptu najdete díly od vybavení interiéru až po exteriér. Dle návodu mohu s klidným srdcem říci, že bude využit 100%, což je výhoda malých leptů.
Ocenil bych, kdyby Eduard i tyto malé leptíky dělal s tenkého kovu a byly v edici STEEL.
Masky
Masky jsou tradičně vyrobené z kabuki pásky. Díky nim vymaskujeme kola a větrný štítek. Jejich aplikací zvládne i méně zkušený modelář.
Návod
Návod obsahuje stručné technické údaje a historii v anglickém a českém jazyce, rozstřel dílů, návod na samotnou stavbu a kamuflážemi.
Návod na stavbu je barevný – mírně přehledný. U kamufláží zamrzí absence českého textu. Kamufláže jsou různě barevné a modelář bude mít těžkou volbu se zvolením barevné varianty. V návodu máme čtyři různé mašiny ve standardním francouzském schématu, co kus to originál. Dva stroje jsou válečné, kdy jsou prezentovány jako stroje na kterých létali čs. letci Adj. Augustin Charvát a Adj. Václav Pilát, další dvě kamufláže nabízejí stroje čs. letectva s praporovými znaky. Liší se jinými tvary kam. ploch, pestrostí doplňků kamufláže. Viz přiloha.
Závěr
Velice hezká stavebnice. Díky vzpěrám a výpletům bude náročnější na kompletaci, ale odměnou bude krásný model. Z mého pohledu povedený model k výročí vzniku ČSR. Určitě stojí za to pořídit.
Michal Vyparina
Redakce ModelWebu děkuje firmě Eduard za poskytnutí vzorku k recenzi.
Rubrika Eduard, Letadla - 1:72, Letadla - Náhledy do krabiček | Bez komentářů
Komentáře
Napsat odpověď.
Musíte být přihlášeni, abyste mohli odpovědět.




















































































